|
WEW-100D微机屏显液压式万能试验机1、最大试验力:100 kN; 2、试验力测量范围:4-100 kN; 3、试验力示值精度: ±1%; 4、活塞行程:不小于200 mm; 5、活塞最大移动速度:50 mm/min; 6、位移测量分辨力:0.01 mm; 7、位移测量示值精度:±1%; 8、变形测量:如选配标距50mm,最大变形量25mm引伸计一只(符合GB/T12160的要求1级精确度),按1,2,5,10分四档衰减,自每档满量程的20%起为示值的±1%FS; 9、最大拉伸试验空间:不小于 550 mm (包括活塞行程) 10、最大压缩空间: 不小于500 mm
WEW-100D微机屏显液压式万能试验机
一、主机部分 1、主机 主机采用油缸下置式主机,间隙密封油缸(间隙靠油膜来密封,长期工作不会出现变形、磨损、泄漏现象),拉伸空间位于主机的上方,压缩、弯曲试验空间位于主机上方下横梁和工作台之间。 2、传动系统 下横梁升降电机经减速器、链传动机构、丝杠副传动,实现拉伸、压缩空间的调整
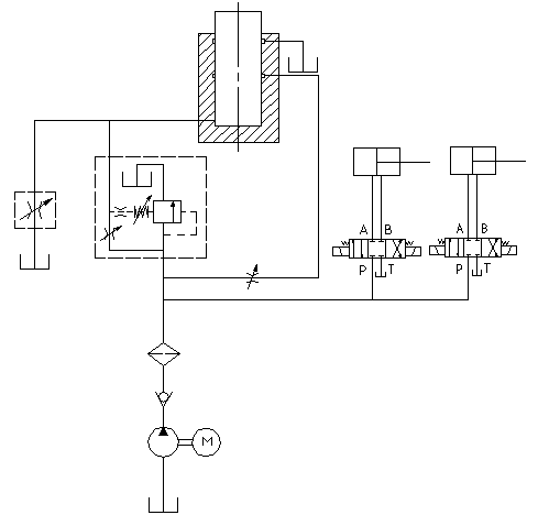
主机 3、液压系统 液压原理如图所示,为负载适应型进油节流调速系统,手动阀控制试验进程。 油箱内的液压油通过电机带动高压油泵进入油路,流经单向阀、10μ高压滤油器、压差阀组、送油阀,进入油缸。通过手动控制送油阀的开口大小,从而控制进入油缸的流量,满足加载的要求。试验完成后,打开回油阀卸荷并使油缸返回。
液压原理图 1. 屏幕显示及软件系统 1) 具有试验力、力,峰值、试样变形、活塞位移、试验曲线的屏幕显示功能。操作简便、直观!
2) 可以按GB228-2010《室温材料 金属拉伸试验方法》的要求完成试验的数据处理。
软件中可供您选项的有150个国内和国际标准!在试验机允许的情况下,方便您给各种要求的客户(国内、国外)提供准备的数据和试验报告!体现您公司的试验实力和信誉 3) 测试原始记录值、报告值按标准GB228的要求修约。 4) 加荷速率可手动控制,可通过试验力-时间曲线显示。 5) 金属拉伸试验中可自动求取Fm、Rel、Reh、Rp、Rt、Agt、Z、A、Rm等参数,也可对Fel、Fm等进行人工认定,并据此打印结果。可根据要求打印不同内容的报告和 曲线
6) 可输出并打印力-应变,力-位移,力-时间3中不同形式的曲线。 7) 安全保护装置 8) 当试验力超过每档最大试验力的2%-5%时,过载保护,停机。 9) 当活塞升起达到上极限位置时,行程保护,油泵电机停机。 5、附具 全套附具包括:拉伸附具,压缩附具。 二、技术参数 1、最大试验力:100 kN; 2、试验力测量范围:4-100 kN; 3、试验力示值精度: ±1%; 4、活塞行程:不小于200 mm; 5、活塞最大移动速度:50 mm/min; 6、位移测量分辨力:0.01 mm; 7、位移测量示值精度:±1%; 8、变形测量:如选配标距50mm,最大变形量25mm引伸计一只(符合GB/T12160的要求1级精确度),按1,2,5,10分四档衰减,自每档满量程的20%起为示值的±1%FS; 9、最大拉伸试验空间:不小于 550 mm (包括活塞行程) 10、最大压缩空间: 不小于500 mm 11、扁试样夹持厚度: 0-15 mm 12、夹持宽度:75mm 13、圆试样夹持直径:φ10-φ32 mm(10-20、20-32) 14、压盘尺寸:120 mm 15、夹紧方式:液压夹紧 16、传感器:油压传感器 17、尺寸:750*650*1950mm;重量:1700Kg 18、电压:380V(主机),220V;功率:1.8KW 三、基本配置
|






